耐火二層管の告示化
平12建告第1422号の一部改正
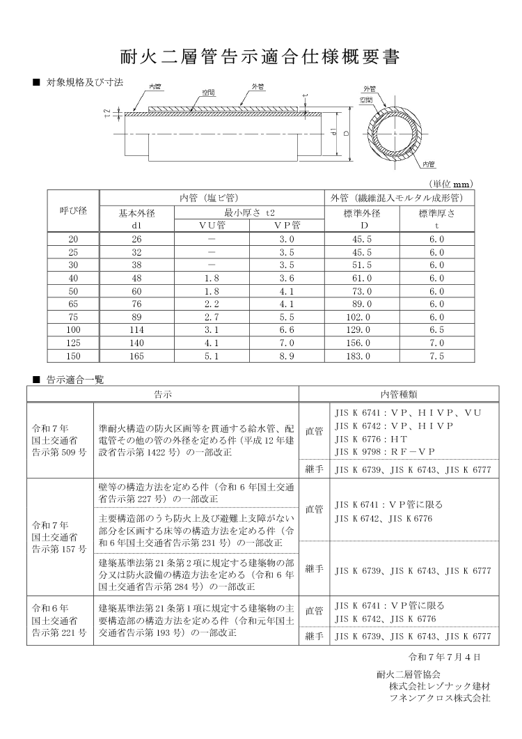
「告示509号」にて準耐火構造の防火区画等を貫通する給水管、配電管その他の管の外径を定める件(平12建告第1422号)の一部改正として、耐火二層管が位置付けられました(令和7年6月施行)。
貫通できる構造体としては2時間耐火構造、1時間耐火構造、1時間準耐火構造、45分準耐火構造など、構造体として告示に定められたものや認定などで技術的な知見が得られたものになります。
貫通部や施工範囲については、別途資料をご参照ください。
資料ダウンロード
当協会が発行する資料のPDFファイルをダウンロードいただけます。
本ダウンロードサービスは、下記の「注意事項」をご確認の上、ご利用ください。
火熱遮断壁等・特定区画・大規模延焼抑止壁等
木材利用促進のための建築基準の合理化等により耐火建築物において、火災時に損傷を許容する主要構造部の規定について改正されました。
耐火建築物に係る主要構造部規制の合理化として特定区画(メゾネットタイプの同一住戸内で木造が利用でき、別住戸間の区画に該当)、防火規制に係る別棟みなし規定の創設として火熱遮断壁等の基準、大規模木造建築物の主要構造部の合理化として周辺危害防止構造などの大規模延焼抑止壁等が追加されました。
火熱遮断壁等の「告示227号」に、特定区画の「告示231号」に、大規模延焼抑止壁等の「告示284号」に耐火二層管が排水管として位置づけられました(令和7年2月施行)。
貫通部の施工については、モルタル又はアルカリアースシリケートを充てんする仕様となります。
防火被覆は貫通する構造の火災継続予測時間の区分に応じて仕様があります。
詳細につきましては、別途資料をご参照ください。
火熱遮断壁等:防火規制に係る別棟みなし規定の創設
出展:国土交通省ウェブサイト
URL:
https://www.fdma.go.jp/singi_kento/kento/items/post-140/02/sankou2-1.pdf
特定区画:耐火建築物に係る主要構造部規制の合理化
出展:国土交通省ウェブサイト
URL:
https://www.fdma.go.jp/singi_kento/kento/items/post-140/02/sankou2-1.pdf
大規模延焼抑止壁等:大規模木造建築物の主要構造部規制の合理化
出展:国土交通省ウェブサイト
URL:
https://www.fdma.go.jp/singi_kento/kento/items/post-140/02/sankou2-1.pdf
資料ダウンロード
当協会が発行する資料のPDFファイルをダウンロードいただけます。
本ダウンロードサービスは、下記の「注意事項」をご確認の上、ご利用ください。
中規模木造準耐火構造
法改正により75分準耐火構造や、さらに長時間の準耐火構造の建築物、4階建て以上が建てられるようになりました(平成30年の建築基準法の改正)。
その後、「告示193号」に耐火二層管が排水管として位置づけられました(令和6年4月施行)。
貫通部の施工については、防火被覆が必要とされアルカリアースシリケートを充てんする仕様となります。
詳細につきましては、別途資料をご参照ください。
資料ダウンロード
当協会が発行する資料のPDFファイルをダウンロードいただけます。
本ダウンロードサービスは、下記の「注意事項」をご確認の上、ご利用ください。
告示適合仕様概要書
平12建告第1422号の一部改正
火熱遮断壁等・特定区画・大規模延焼抑止壁等
中規模木造準耐火構造
資料ダウンロード
当協会が発行する資料のPDFファイルをダウンロードいただけます。
本ダウンロードサービスは、下記の「注意事項」をご確認の上、ご利用ください。